Nyitólap  »  Páraelszívó  »  Kihúzható páraelszívó  »  Faber Flexa W/X A60 kihúzható páraelszívó 5 év magyar garanciával
Faber Flexa W/X A60 kihúzható páraelszívó 5 év magyar garanciával

Faber Flexa W/X A60 kihúzható páraelszívó 5 év magyar garanciával

46 000 Ft
Ingyenes szállítás
Rendelhető, 4 munkanap
Vásárolható kiterjesztett garanciák:
Mennyiség - +
Kosárba
Termékleírás Technikai adatok Rövid jellemzők

FABER Flexa W/X A60 páraelszívó 5 év magyar garanciával
 
Felső szekrénybe építhető
 
Minimum 60 cm széles felső szekrénybe építhető
Fehér/rozsdamentes acél előlap
Teleszkópos – kihúzható előlap
1 motoros
Elektromechanikus vezérlés
LED világítás
3 sebességfokozat
 
Zajszint: 59-69 dB(A)
Légszállítás (IEC): 220-350 m3/h
Energiaosztály: D 
 
Az olasz Faber vállalat a világ egyik legnagyobb konyhai páraelszívó-gyártója. Kiváló minőségű, technológiájú és hatékonyságú, esztétikus megjelenésű konyhai páraelszívókat gyárt már 1955 óta. Számos olyan egyedi fejlesztésű páraelszívóval büszkélkednek, amelyek a nagy teljesítményt ötvözik az alacsony energiafogyasztással, a halk működést a funkcionalitással, az olasz stílust a verhetetlen minőséggel.
 
A beépíthető páraelszívókban az innovatív koncepció ötvözi a minimalista dizájnt, valamint a funkció és a forma tökéletes egyensúlyát, amelyben a diszkrét jelenlét és a technológia megtesz mindent a kényelem és a praktikusság érdekében.
 
fém kazettás zsírszűrő – mosogatógépben is mosható
 
Nyomás: 260-290 Pa
Motor teljesítménye: 100-138 W
Világítás: LED
Csőcsatlakozás: Ø 150/120 mm
 
Az üzembe helyezéshez biztos, hogy kell:

  • kivezetett üzemmód esetén Kivezető készlet – a kivezetős páraelszívó elvezeti a szagok nagy részét és a konyhában keletkezett párát. Ezek jelentik a leghatékonyabb megoldást.

Ebben az üzemmódban az elszívott levegő – a zsírszűrő filteren áthaladva – egy csőrendszeren keresztül a szabadba vagy erre a célra kialakított légtechnikai kürtőbe kerül. Fontos a megfelelő friss levegő beáramlását is biztosítani, mert csak így működnek megfelelő hatékonysággal a készülékek.
A legjobb légszállítási hatásfok elérése érdekében törekedni kell a legrövidebb kivezetési szakasz megvalósítására. Mindig a páraelszívó motorcsonk-átmérőjének megfelelő légtechnikai csöveket és idomokat használjon.

  • belső keringtetési üzemmód esetén Aktívszén-szűrő – a szűrős, keringetős páraelszívó beszívja a levegőt, szűri a szagok nagy részét és a párát, a konyhába pedig visszajuttatja a tisztított levegőt.

Ebben az üzemmódban az elszívott levegő a zsírszűrőkön áthaladva, egy aktívszén-filteren is keresztülhalad, mely némileg megszűri a kellemetlen szagokat, gőzöket, majd a megtisztított levegő (a páratartalommal együtt) visszakerül a konyha levegőjébe. Ebben az esetben a kapacitás a szénszűrő állapotától (elhasználódás) függően csökken. Ennek elkerülése érdekében az aktívszén-szűrőket használattól függően 3-6 havonta cserélni kell. Ezek mellett különös figyelmet kell fordítani a fém zsírszűrők folyamatos tisztántartására, szükség esetén ezek cseréje is javasolt.
Ez az üzemeltetési mód csak akkor ajánlott, ha a kivezetésre nincs mód.
 
Rendelhető kiegészítő:

  • F3 szénszűrő 

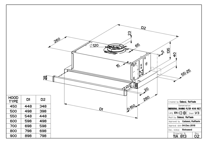
Szélesség: 598 mm
Mélység: 280 mm
Magasság: 175 mm
 
Minimum távolság főzőlaptól: 65 cm

Páraelszívó szélesség intv: 56-65
Páraelszívó szélesség: 60
Páraelszívó szín: fehér
Kérdése van? Írjon nekünk!
Küldés
Árukereső.hu